Продажа, ремонт турбин и комплектующих

Работаем с 2014. Доставка по РФ 1-5 дней.

+7 (495) 128-21-78

 (922) 162-60-00

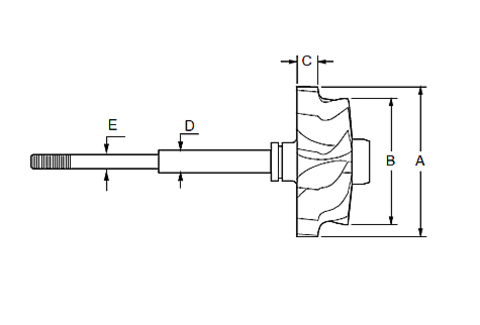
Вал турбины

Используйте фильтры для подбора необходимого вала согласно параметрам на изображении

Цена
от
до
Тип товара
Производитель турбины
Размер E (мм)
Количество лопастей
от
до
Обратная сторона крыльчатки
Вращение
Объем двигателя
Мощность двигателя (л.с.)
Тип топлива
Вы смотрели

Главное меню

Каталог

Полезные ссылки

Цена
от
до
Тип товара
Производитель турбины
Размер E (мм)
Количество лопастей
от
до
Обратная сторона крыльчатки
Вращение
Объем двигателя
Мощность двигателя (л.с.)
Тип топлива
0 Корзина: 0 ₽
Заказ в один клик